熱固性電磁線圈SB1031
型號:SB1031/XY14403X
類別:熱固性電磁線圈
品牌:星宇XINGYU
產地:寧波奉化
技術參數
| 產品編號 | SB1031 |
| 產品型號 | XY14403X |
| 常規電壓 | AC220V DC24V |
| 絕緣等級 | H |
| 線圈連接方式 | 引線式 |
| 其他特種電壓、特種功率可定做 | |
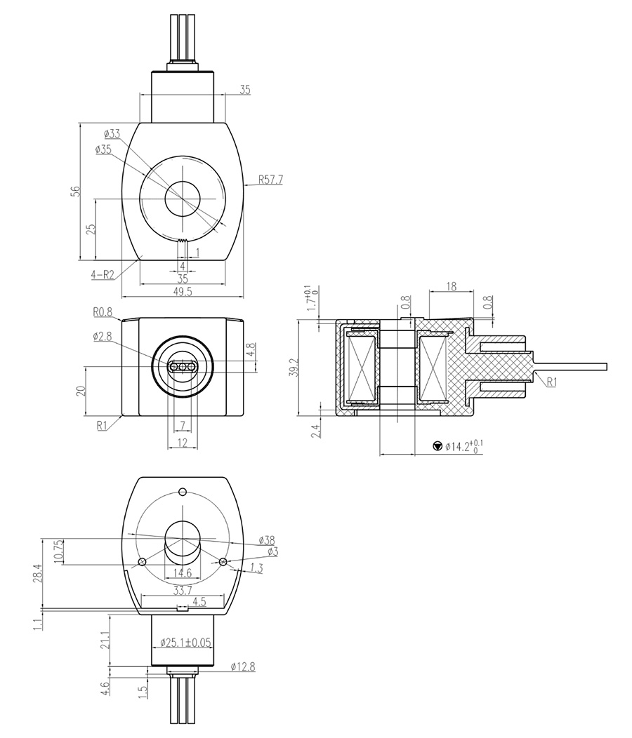
結構尺寸

產品特性

安裝說明

公司簡介

制造能力

行業應用

合作伙伴

服務網絡

上一篇:熱固性電磁線圈SB1011
下一篇:熱固性電磁線圈SB1034

型號:SB1031/XY14403X
類別:熱固性電磁線圈
品牌:星宇XINGYU
產地:寧波奉化
技術參數
| 產品編號 | SB1031 |
| 產品型號 | XY14403X |
| 常規電壓 | AC220V DC24V |
| 絕緣等級 | H |
| 線圈連接方式 | 引線式 |
| 其他特種電壓、特種功率可定做 | |
結構尺寸

產品特性

安裝說明

公司簡介

制造能力

行業應用

合作伙伴

服務網絡

上一篇:熱固性電磁線圈SB1011
下一篇:熱固性電磁線圈SB1034
型號:SB255/A051
型號:SB1075/IM14403X
型號:SB579/AU4V210
型號:SB558/20551