熱塑性塑封類制冷電磁閥線圈
型號:SB587/HD15583
類別:熱塑性電磁線圈
品牌:星宇XINGYU
產地:寧波奉化
技術參數
| 常規電壓 | AC220V AC110V DC24V DC12V | |
| 常規功率 | AC | 10W |
| DC | 10W | |
| 其他特種電壓、特種功率可定做 | ||
| 絕緣等級 | H | |
| 線圈連接方式 | DIN43650A | |
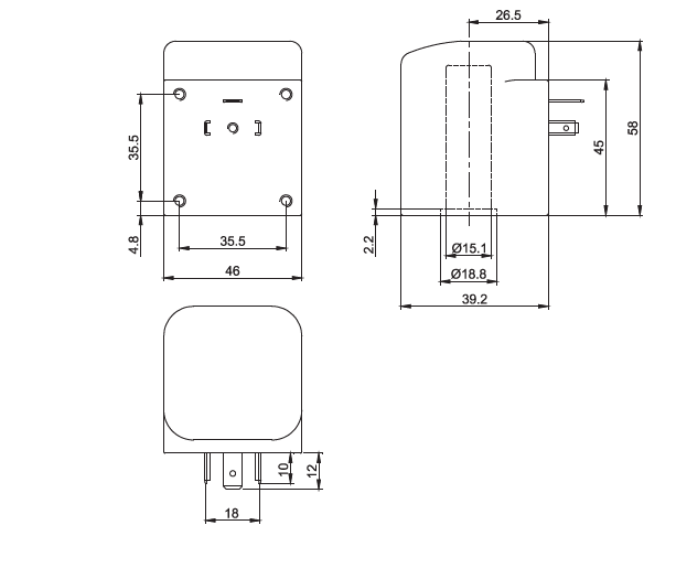
結構尺寸

公司簡介

制造能力

行業應用

合作伙伴

服務網絡

下一篇:熱塑性塑封類汽車用電磁線圈

型號:SB587/HD15583
類別:熱塑性電磁線圈
品牌:星宇XINGYU
產地:寧波奉化
技術參數
| 常規電壓 | AC220V AC110V DC24V DC12V | |
| 常規功率 | AC | 10W |
| DC | 10W | |
| 其他特種電壓、特種功率可定做 | ||
| 絕緣等級 | H | |
| 線圈連接方式 | DIN43650A | |
結構尺寸

公司簡介

制造能力

行業應用

合作伙伴

服務網絡

下一篇:熱塑性塑封類汽車用電磁線圈
型號:SB090/BU-08
型號:SB729/HC15402
型號:SB791/XY12362
型號:SB712/AM210